Product Summary
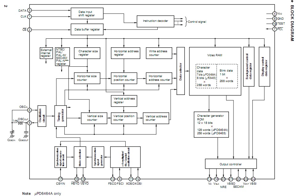
The UPD6464AGT-101 is CMOS LSI for on-screen character display that control various display systems (such as tape counters) including the program screens of deck-type VCRs and LD players. The UPD6464AGT-101 is used in combination with a microcomputer. It can display characters each consisting of 12 (horizontal) by 18 (vertical) dots. Some chinese characters and some pictograms can also be displayed by combining two or more characters.
Parametrics
UPD6464AGT-101 absolute maximum ratings: (1)Supply voltage: 7V; (2)Input pin voltage: –0.3 to VDD +0.3 V; (3)Output pin voltage: –0.3 to VDD +0.3 V; (4)Permissible package power dissipation (TA = 75 ℃): 320 mW; (5)Operating ambient temperature: –20 to +75 ℃; (6)Storage temperature: –40 to +125 ℃; (7)Output current: ±5mA.
Features
UPD6464AGT-101 features: (1)Video signal input/output: Composite video signal; (2)Number of display characters: 12 lines, 24 columns (288 characters); (3)Number of character types: 128 (μPD6464A)/256 (μPD6465); (4)Character size: 1 dot/1 line. 2 lines (field) can be displayed in line units.; (5)Character color: White (single color); (6)Background: No background, black framing, black-on-white, and black filling; (7)Dot matrix: 12 (horizontal) × 18 (vertical) dots without gap between adjacent characters; (8)Blinking: Blinking can be turned ON/OFF in character units; (9)Interface with microcomputer: Serial input type of 8-bit variable word length; (10)Supply voltage: +5 V, single power supply.
Diagrams

![]() |
![]() UPD61051 |
![]() Other |
![]() |
![]() Data Sheet |
![]() Negotiable |
|
||||
![]() |
![]() UPD6121 |
![]() Other |
![]() |
![]() Data Sheet |
![]() Negotiable |
|
||||
![]() |
![]() UPD6124A |
![]() Other |
![]() |
![]() Data Sheet |
![]() Negotiable |
|
||||
![]() |
![]() UPD6125A |
![]() Other |
![]() |
![]() Data Sheet |
![]() Negotiable |
|
||||
![]() |
![]() UPD6132 |
![]() Other |
![]() |
![]() Data Sheet |
![]() Negotiable |
|
||||
![]() |
![]() UPD6133 |
![]() Other |
![]() |
![]() Data Sheet |
![]() Negotiable |
|
||||
(Hong Kong)








